Автоматические выключатели защиты двигателей (автоматы) MS 25
Автоматические выключатели защиты двигателей предназначены для пуска и защиты электродвигателей небольшой мощности. Могут применяться как главный либо аварийный выключатель.
Особености :
- возможность тестирования тепловой защиты,
- защита от обрыва фаз,
- 13 диапазонов тепловой защиты от 0,1 A до 25 (возможность регулировки),
- oвозможность блокировки замком,
- oширокий спектр дополнительных аксессуаров.
Автоматические выключатели защиты двигателей предназначены для пуска и защиты электродвигателей небольшой мощности. Могут применяться как главный либо аварийный выключатель.
Технические характеристики:
|
Номинальное напряжение изоляции и |
690V |
|
Номинальное коммутируемое напряжение им |
230V, 400 V, 690 V |
|
Номинальный коммутируемый ток 1х |
0.1 -25 A |
|
Ток аварийного отключения |
11- 11 IN |
|
Вид нагрузи |
AC 3 |
|
Механический и электрический ресурс |
105 циклов |
|
Рабочий диапазон температур |
-20 С… + 50 С |
|
Количество коммутаций тах. |
100/час |
|
Сечение подключаемых проводников |
0,75-4 мм2 |
|
Рабочее положение |
Произвольное |
|
Соответствие стандарта! |
PN-IEC 60947-3, VDE 0660 |
Автоматические выключатели защиты двигателей MS 25
|
Тип |
IN(A) |
Код |
Вес (г) |
Упаковка (шт.) |
|
MS25-0,16 |
0,1-0,16 |
4600010 |
250 |
1/5 |
|
MS25-0,16 |
0,16-0,25 |
4600020 |
250 |
1/5 |
|
MS25-0,4 |
0,16-0,25 |
4600030 |
250 |
1/5 |
|
MS25-0,63 |
0,63 - 1,0 |
4600040 |
250 |
1/5 |
|
MS25-1,0 |
1,0 - 1,6 |
4600050 |
250 |
1/5 |
|
MS25-1,6 |
1,6 - 2,5 |
4600060 |
250 |
1/5 |
|
MS25-2,5 |
2,5 - 4,0 |
4600070 |
250 |
1/5 |
|
MS25-4,0 |
2,5 - 4,0 |
4600080 |
250 |
1/5 |
|
MS25-6,3 |
4,0 - 6,3 |
4600090 |
250 |
1/5 |
|
MS25-10 |
6,3 - 10 |
4600100 |
250 |
1/5 |
|
MS25-16 |
10 - 16 |
4600110 |
250 |
1/5 |
|
MS25-20 |
16 - 20 |
4600120 |
250 |
1/5 |
|
MS25-25 |
20 - 25 |
4600320 |
250 |
1/5 |
Аксессуары к автоматическим выключателям защиты двигателей MS блок контактов PS..
Блоки контактов РS... служат для монтажа на боковые стороны автоматического выключателя защиты двигателей МS 25. Они используются для дистанционной сигнализации состояния контактной группы автоматического выключателя, включения резервного питания или контрольной цепи и т.п. Для монтажа блока контактов необходимо снять крышку автоматического выключателя М5 25. Блоки контактов производятся с разными комбинациями контактных групп, ассортимент которых представлен ниже.
|
Технические характеристики: |
|
|
Номинальное напряжение UN |
500V |
|
Номинальное напряжение изоляции Ui |
500V |
|
Номинальный ток Ith |
6А |
|
Номинальный ток коммутации для АС 15 230V/400V/500V Ie |
3,5А/2А/1,5 А |
|
Сечение подключаемых проводников |
0,75 - 2,5 мм2 |
Технические характеристики:
|
Тип |
Контакты |
Код |
Вес (г) |
Упаковка (шт.) |
|
PS 20 |
2x NO |
4600160 |
30 |
1/10 |
|
Р510 |
НС |
4600150 |
30 |
1/10 |
|
Р510 |
N0 |
4600140 |
30 |
1/10 |
|
Р511 |
НО+Ж |
4600130 |
30 |
1/10 |
NO - нормально открытый контакт
NС - нормально закрытый контакт
Способ установки блока контактов PS на MS25
Независимый расцепитель
Независимый расцепитель предназначен для установки внутри автоматического выключателя М5 25 и служит для дистанционного отключения.
Технические характеристики:
|
Напряжение срабатывания Uc |
220 V-240 V 50/60 Нг |
|
Способ монтажа |
внутренний |
Независимый расцепитель
|
Тип |
Uc |
Код |
Вес |
Упаковка (шт.) |
|
А 220 |
220-240V |
4600170 |
30 |
1/10 |
Cпособ установки независимого расцепителя
Автоматические выключатели защиты двигателей MPE 25
Автоматические выключатели защиты двигателей МРЕ 25 предназначены для пуска электродвигателей небольшой мощности и защиты их от перегрузок и коротких замыканий. Могут применяться как аварийный или главный выключатель. В комплекте с контакторами СЕ, или СЕМ можно реализовать системы дистанционного управления.
Технические характеристики:
|
Соответствие стандартам |
PN-IEC/EN 60947, DIN VDE 0660, UL 508, CSA |
|
Рабочий диапазон температур |
температура хранения -20е С до +70° С рабочая температура -20° С до +35° С |
|
Рабочее положение |
произвольное |
|
Степень защиты |
IP20 |
|
Максимальная высота над уровнем моря |
2000 м |
|
Основные характеристики |
|
|
Номинальное напряжение изоляции |
U-690V |
|
Номинальное напряжение |
U„ - 690V |
|
Номинальное напряжение ударное |
Uimp:6kV |
|
Номинальный ток Iи |
0,1 до 32А |
|
Номинальная частота |
50/60 Hz |
|
Механический и электрический ресурс |
10s коммутаций |
|
Частота коммутаций |
до 15/час |
|
Сечение подключаемых проводников Защита |
1х(1,5 до 6 мм2) или 2х(1,5 до 6 мм2) |
|
Регулировка тепловой защиты |
0,6 до IN |
|
Ток отключения при коротком замыкании |
12x ln |
|
Температурная компенсация |
-20° С до +60° С |
|
Блок контактов |
|
|
Номинальное напряжение UN |
690V для ACBFE |
|
Номинальное напряжение ударное |
6kV |
|
Сечение подключяаемых проводников |
1х(0,5 до 2,5 мм2) или 2х(0,5 до 2,5 мм2) |
|
Вспомагательный предохранитель gG/gL |
10A |
Номинальный ток блока контактов
|
Номинальный ток блока контактов |
|||
|
Вид нагрузки |
Напряжение (V) |
ACBSE |
І,ІА)дяя ACBFE |
|
АС-15 |
24V |
6 |
2 |
|
230V |
4 |
0,5 |
|
|
380-415V |
3 |
- |
|
|
440-500V |
2 |
- |
|
| DC-13 |
24V |
2 |
1 |
|
60V |
0,5 |
0,15 |
|
|
110V |
0,5 |
- |
|
|
220V |
0,25 |
- |
|
Автоматические выключатели защиты двигателей MPE 25
|
Тип |
Код |
IN(A) |
Ток отключения при коротком замыкании Im(A) |
Вес (г) |
Упаковка (шт) |
|
MPE25-0,16 |
4648001 |
0,1-0,16 |
19 |
322 |
1 |
|
MPE25-0,25 |
4648002 |
0,16-025 |
3 |
322 |
1 |
|
MPE25-0,40 |
4648003 |
0.25-0,4 |
4,3 |
322 |
1 |
|
МРЕ25-С63 |
4648004 |
0,4-0,63 |
7,5 |
322 |
1 |
|
МРЕ25-С63 |
4648005 |
0,63-1,0 |
12 |
322 |
1 |
|
МРЕ25-1.0 |
4648006 |
10-1,6 |
19 |
322 |
1 |
|
МРЕ25-1.6 |
4648007 |
1Л-23 |
30 |
322 |
1 |
|
МРЕ25-4,0 |
4648008 |
2М0 |
48 |
322 |
1 |
|
МРЕ25-6.3 |
4648009 |
4,0*3 |
75 |
322 |
1 |
|
МРЕ25-10 |
4648010 |
6,3-10 |
120 |
322 |
1 |
|
МРЕ25-16 |
4648011 |
10-16 |
190 |
322 |
1 |
|
МРЕ25-20 |
4648012 |
16-20 |
240 |
322 |
1 |
|
МРЕ25-25 |
4648013 |
20-25 |
300 |
322 |
1 |
|
МРЕ25-32 |
4648014 |
25-32 |
384 |
322 |
1 |
Блоки контактов для монтажа с левой стороны MPE 25
|
Тип |
Контакты |
Код |
Вес (г) |
Упаковка (шт.) |
|
ACBSE-11 |
1xNO+1xNС |
4648022 |
38 |
1 |
|
ACBSE-20 |
2xNO |
4648023 |
38 |
1 |
ВНИМАНИЕ: Блок контактов ACBSE может быть смонтирован вместе с блоком контактов ACBFE
ACBSE-11 ACBSE-20
Аварийный блок контактов для монтажа с левой стороны MPE 25
|
Тип |
Контакты |
Код |
Вес (г) |
Упаковка (шт.) |
|
TBSE |
2x(1xNO+1xNС) |
4648024 |
38 |
1 |
Контакты 57, 55 и 66, 65 замыкаются размыкаются в случае срабатывания тепловой или электромагнитной защиты.
Контакты 78, 77 и 86, 85 замыкаютсяразмыкаются в случае срабатывания только электромагнитной защиты
Независимый расцепитель
Независимый расцепитель предназначен для установки с правой стороны автоматического выключателя МРЕ 25 и служит для дистанционного отключения при подаче импульса в диапазоне от 200V до 240V АС.
Независимый расцепитель для MPE 25
|
Тип |
Код |
Вес (г) |
Упаковка (шт.) |
|
SRMPE-Z20 |
4648030 |
115 |
1 |
Расцепитель минимального напряжения
Расцепитель минимального напряжения предназначен для установки с правой стороны автоматического выключателя МРЕ 25 и служит для отключения автоматического выключателя и блокировки включения в случае исчезновения напряжения в сети.
Расцепитель минимального напряжения для MPE 25
|
Тип |
Код |
Напряжение |
Вес (г) |
Упаковка (шт.) |
|
URMPE-N |
4648027 |
230-240 V AC |
115 |
1 |
|
URMPE-U |
4648028 |
400-415 V AC |
115 |
1 |
Аксессуары
|
Тип |
Код |
Описание |
Вес (г) |
Упаковка (шт.) |
|
SC MPE |
4648025 |
Защитная крышка контактов |
15 |
5 |
|
PL MPE |
4648026 |
Монтажный наконечник |
15 |
5 |
Сигнальные лампы
|
Тип |
Напряжение (V) |
Код |
Цвет |
Вес (г) |
Упаковка (шт.) |
|
PLE 230 |
210...230V |
4648043 |
Красный |
17 |
10 |
|
PLE 400 |
400...560V |
4648044 |
Красный |
17 |
10 |
|
PLE 230G |
210...230V |
4648045 |
Зеленый |
17 |
10 |
|
PLE 400G |
400...560V |
4648046 |
Зеленый |
17 |
10 |
|
PLE 230W |
210...230V |
4648047 |
Белый |
17 |
10 |
|
PLE 400W |
400...560V |
4648048 |
Белый |
17 |
10 |
Соединительные модули
Соединительные модули предназначены для электрического и механического соединения автоматических выключателей защиты двигателей МРЕ 25 с силовыми контакторами СЕ и СЕМ.
|
Тип |
Код |
Оборудование |
Вес (г) |
Упаковка (шт.) |
|
ECC MPE 07 |
4648052 |
CE07 |
27 |
1 |
|
ECC MPE 25 |
4648053 |
CEM9...25 |
27 |
1 |
Соединительные адаптеры
Соединительные адаптеры предназначены для механического соединения автоматических выключателей МРЕ 25 с силовыми контакторами СЕ и СЕМ. Состоят из двух шинТН 35. Положение нижней шины регулируется.
Соединительный адаптер - прямой пуск
|
Тип |
Код |
Оборудование |
Вес (г) |
Упаковка (шт.) |
|
|
МАЕ 45 001 |
4648060 |
Прямой пуск; МРЕ 25+СЕ07 или +СЕМ9 - СЕМ25 |
20 |
1 |
|
Соединительный адаптер - реверсивный
|
Тип |
Код |
Оборудование |
Вес (г) |
Упаковка (шт.) |
|
|
MAE 90 RVS |
4648061 |
Реверсивный: MPE 25+CEM07 или + 2xCEM9 - CEM25 |
38 |
1 |
|
Соединительный адаптер - звезда-треугольник
|
Тип |
Код |
Оборудование |
Вес (г) |
Упаковка (шт.) |
|
|
MAE 90 SDS |
4648062 |
Звезда-треугольник: MPE 25+2x CEM9 - CEM25 |
42 |
1 |
|
Изолированные соединительные шины
Изолированные соединительные шины служат для соединения автоматических выключателей защиты двигателей. И защищают от случайного прикосновения ктоковедущим частям.
- Номинальное напряжение изоляции Ui= 690У
-Допустимая токовая нагрузка Iu= 63А
Соединительные шины изолированные
|
Тип |
Тип |
Кол-во подключаемых выключателей |
Длина (мм) |
Вес (г) |
Упаковка (шт.) |
|
BBSE 45-2 |
4648054 |
2 MPE 25 без блоков контактов |
91 |
35 |
1 |
|
BBSE 45-3 |
4648055 |
3 MPE 25 без блоков контактов |
136 |
60 |
1 |
|
BBSE 45-4 |
4648056 |
4 MPE 25 без блоков контактов |
181 |
75 |
1 |
|
BBSE 45-5 |
4648057 |
5 MPE 25 без блоков контактов |
226 |
100 |
1 |
|
IZM10/3F/12 |
2921130 |
4 MPE 25 без блоков контактов |
200 |
120 |
1/20 |
|
IZM10/3F/54 |
2921131 |
18 MPE 25 без блоков контактов |
1000 |
600 |
1/20 |
Клемма-переходник
|
Тип |
Код |
Сечение подключаемых проводников |
Вес (г) |
Упаковка (шт.) |
|
FTBBSE |
4648058 |
одножильный проводник 6-25мм2 многожильный проводник 6-16мм2 |
42 |
1 |
Токо-временные характеристики
Токо-временная характеристика показывает зависимость времени срабатывания автоматического выключателя защиты двигателей от тока перегрузки. Это среднее значение при температуре окружающей среды 20°С. При увеличении температуры во время работы выключателя, время срабатывания его тепловой защиты составляет примерно 25% от среднего значения. В нормальном рабочем состоянии выключателя МРЕ 25 все три фазы должны быть нагружены.
Токо-временная характеристика t-I Характеристика I 2 t при 415V
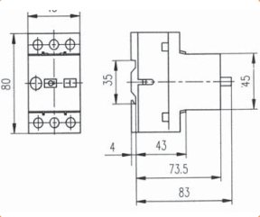
Габаритные размеры
Применение MPE 25 в цепях постоянного тока
Автоматы защиты двигателей MPE для цепей переменного тока могут также применяться и в цепях постоянного тока. Тем не менее, необходимо обязательно соблюдать указанное максимально допустимое напряжение постоянного тока. При более высоких напряжениях, необходимо последовательное соединение 2 или 3 полюсов. Номинальный ток тепловой защиты автомата остается неизменным. Величина тока короткого замыкания в цепях постоянного тока увеличивается примерно на 35%.
DC максимальная отключающая способность (при постоянной времени <= 5 мс):
- при 1 полюсном соединении DC 150V - 10kA; при 2-х полюсном соединении DC 350V - 10kA; при 3-х полюсном соединении DC 350V - 10k.
Автоматические выключатели защиты двигателей MS 25 купить на складе в Одессе, а так же осуществляется доставка по всей Украине. Вы можете купить продукцию ETI обратившись в нашу компанию в Одессе. Приобретайте продукцию ETI в Одессе по самым выгодным ценам.
